Domestic plumbing
|
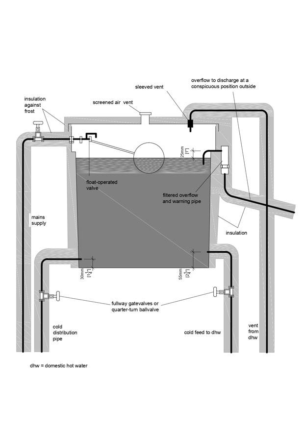
The storage cistern
Item Saved
Item Removed

