Domestic plumbing
|
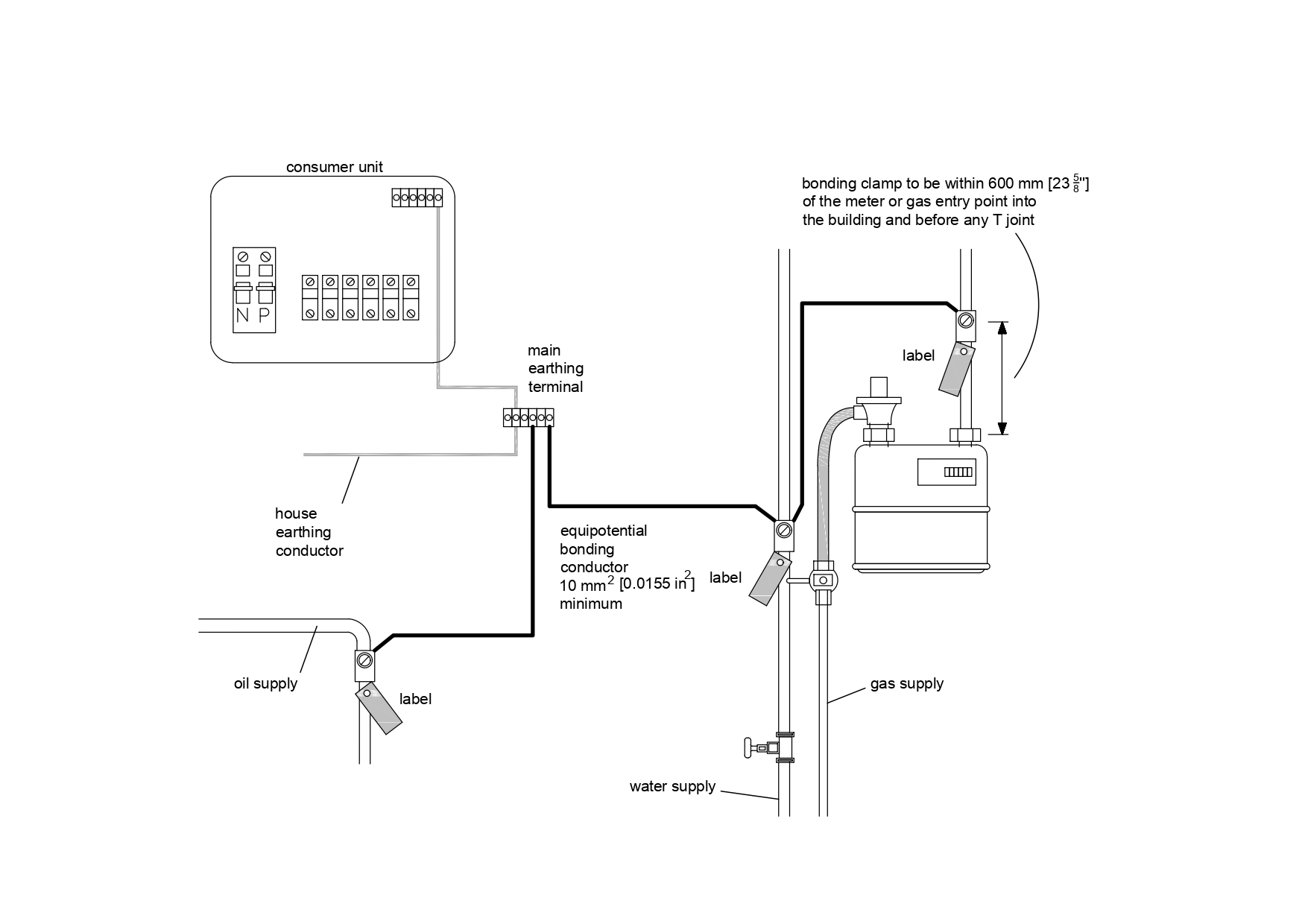
The equipotential earth bond
Item Saved
Item Removed
