Domestic plumbing
|
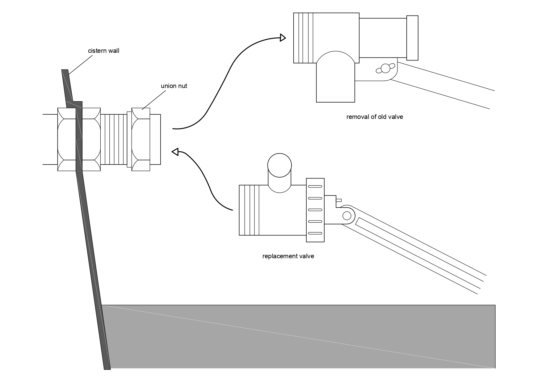
toilet or storage cistern overflowing
Item Saved
Item Removed
