Domestic central heating
|
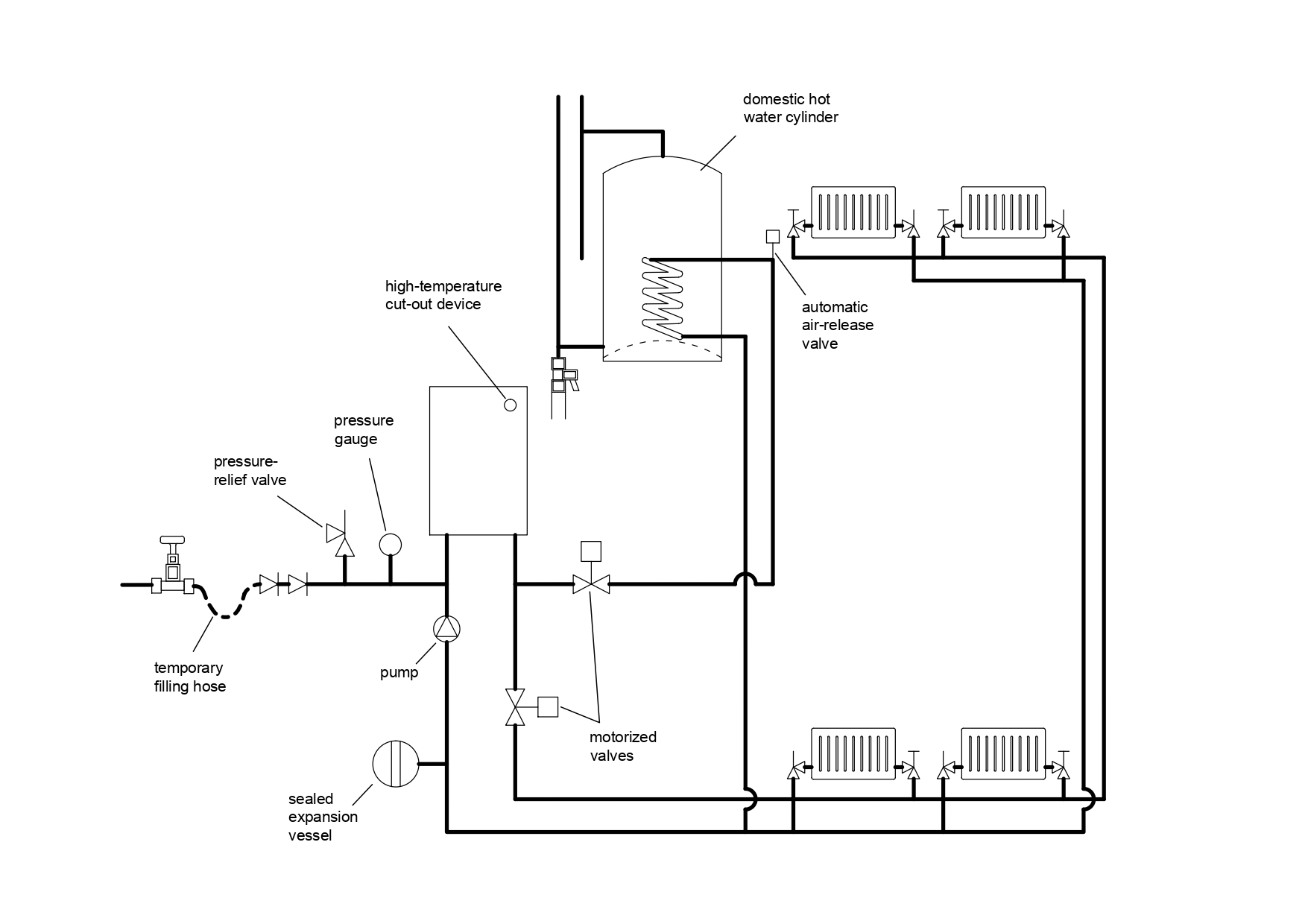
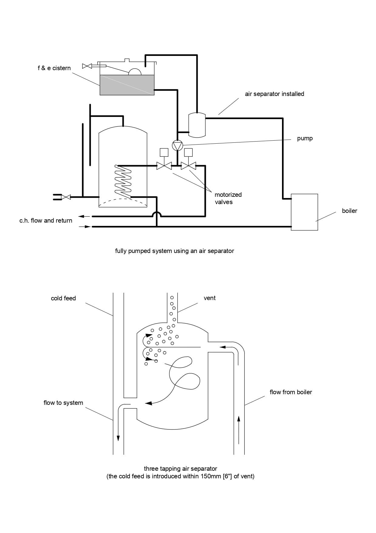
Central heating using radiators
Item Saved
Item Removed





