Domestic central heating
|
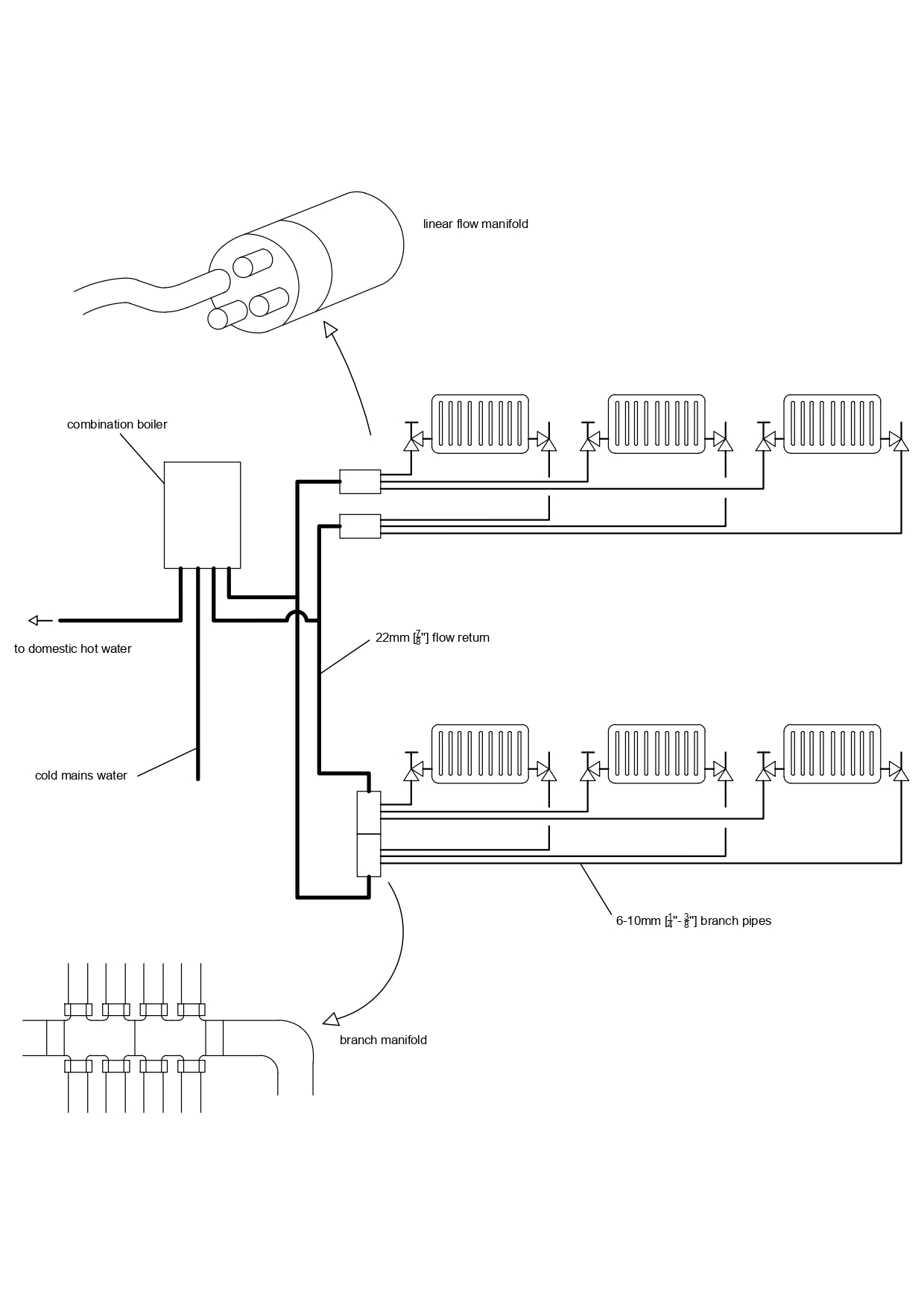
Micro-bore systems
Item Saved
Item Removed
