Domestic central heating
|
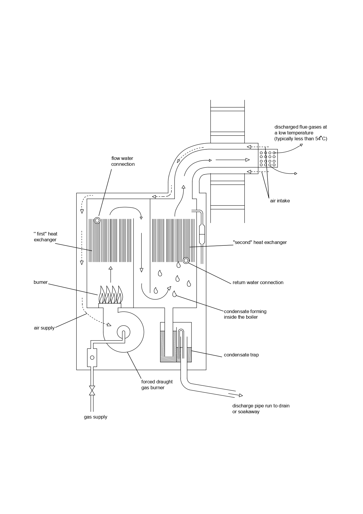
The boiler
Item Saved
Item Removed

