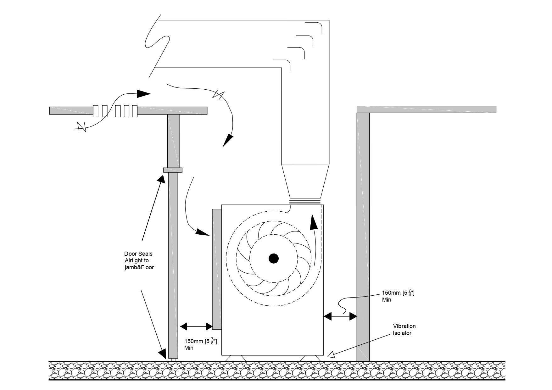
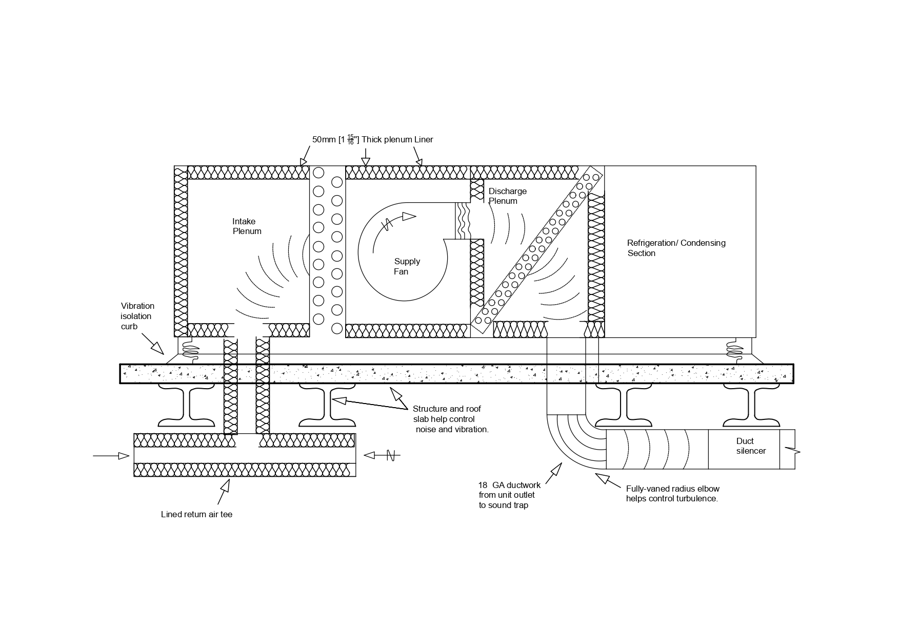
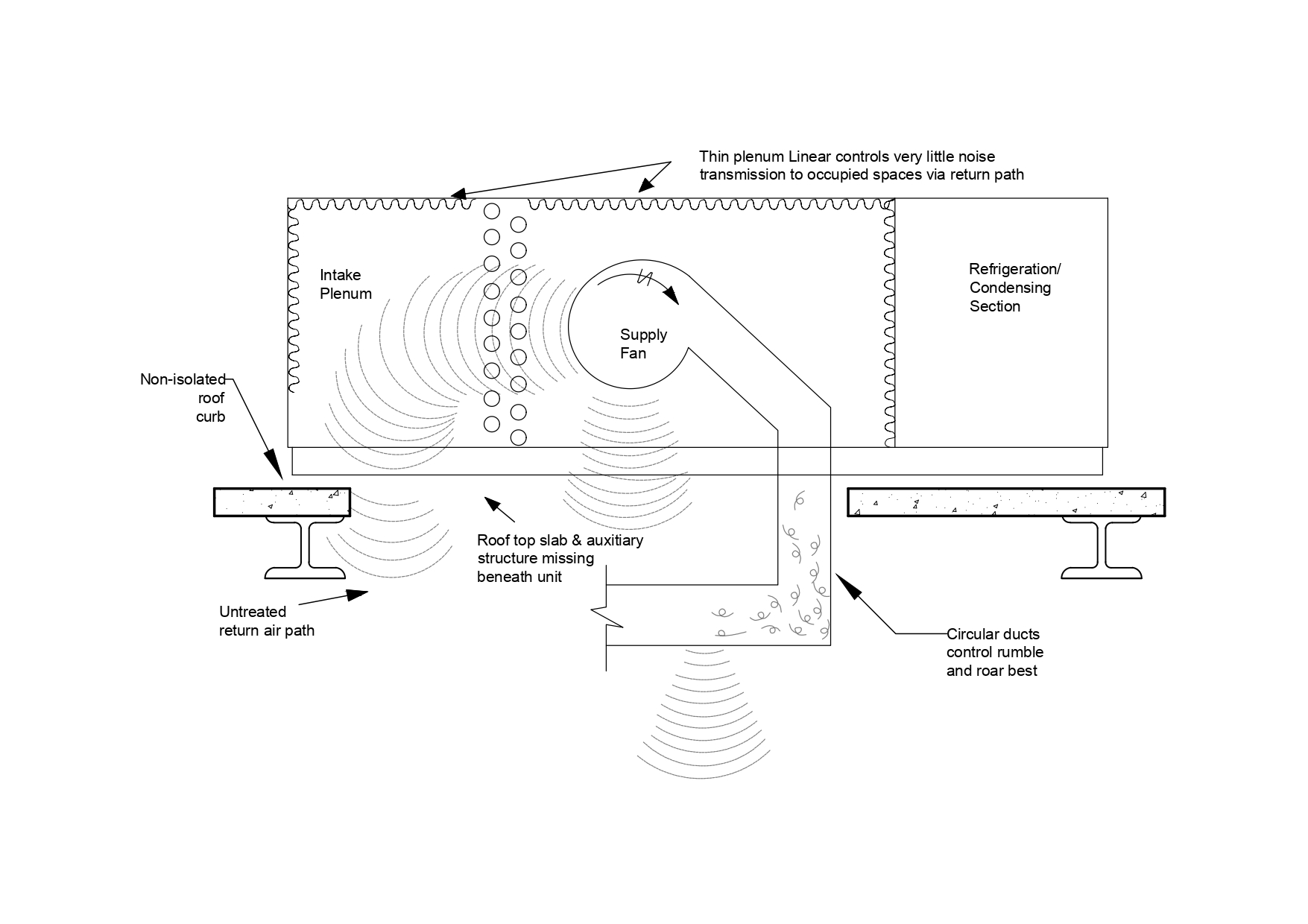
Acoustic-Noise control
|
Rooftop air-conditioning and air-handling units
Item Saved
Item Removed





