Sustainable architectural design
|
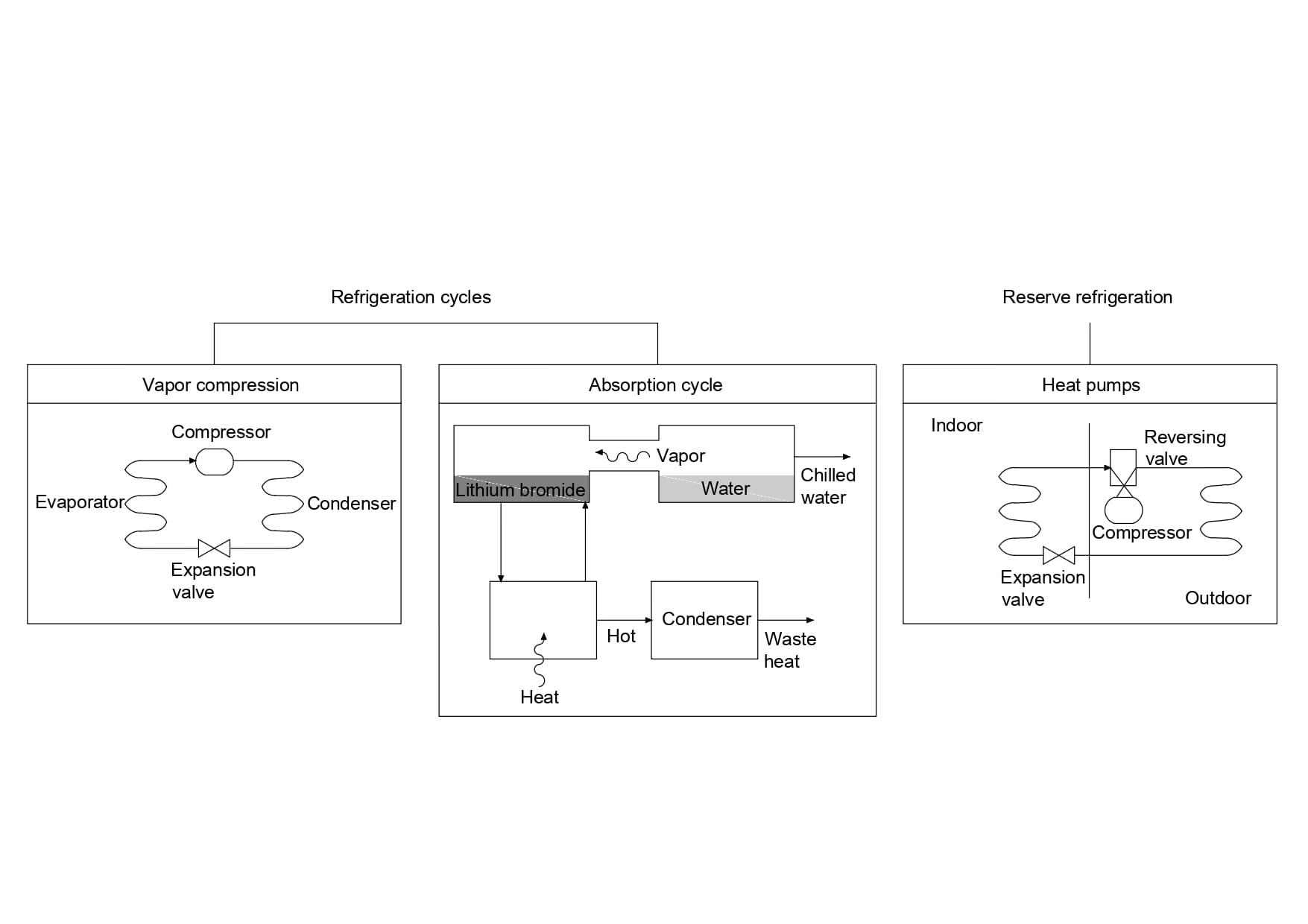
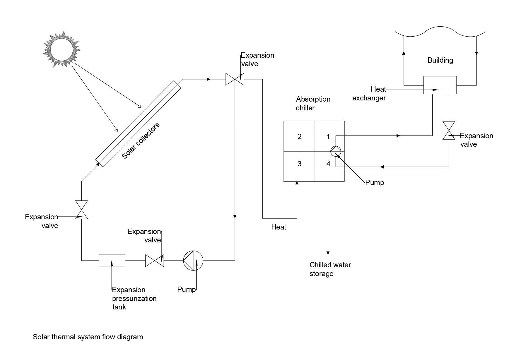
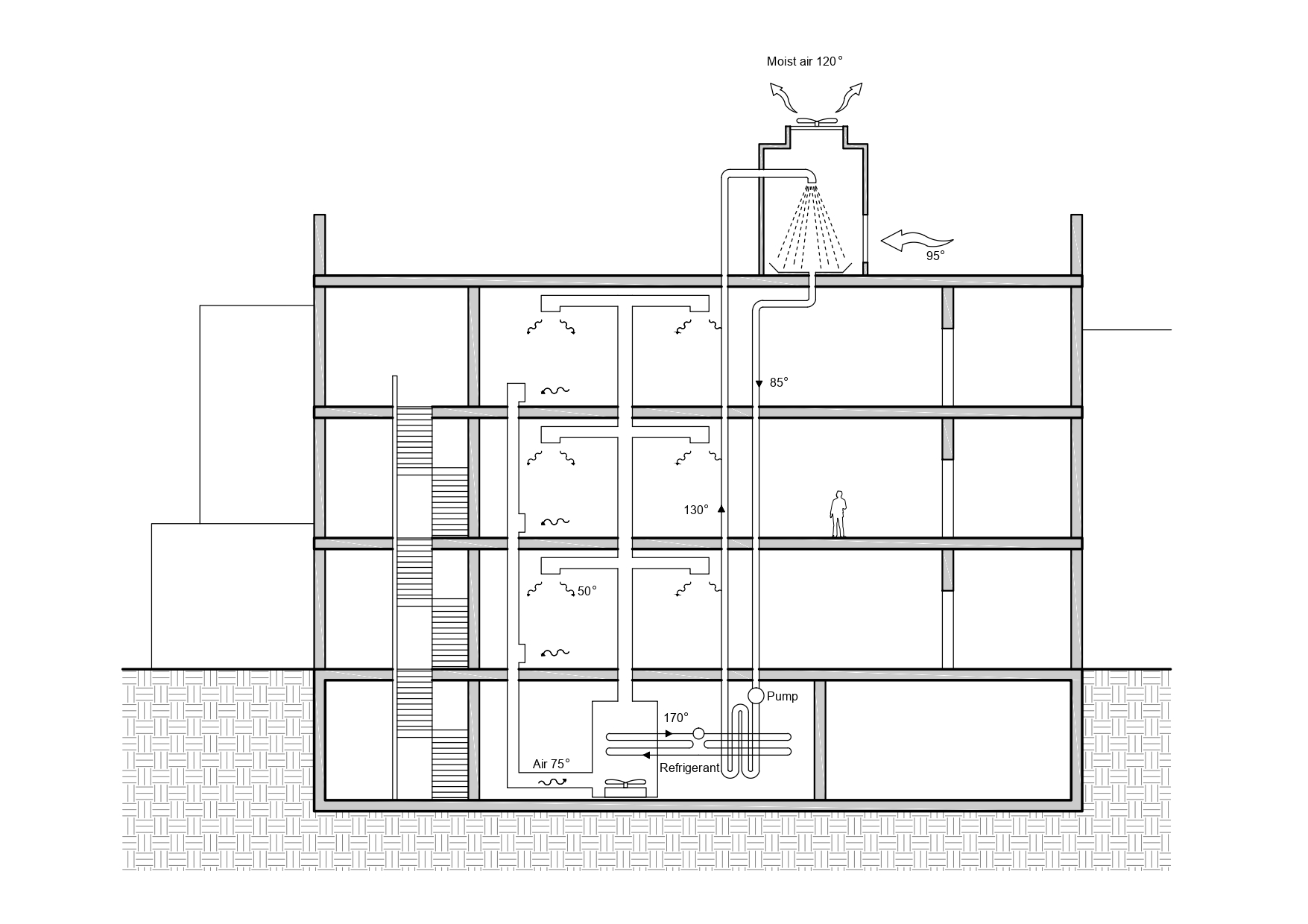
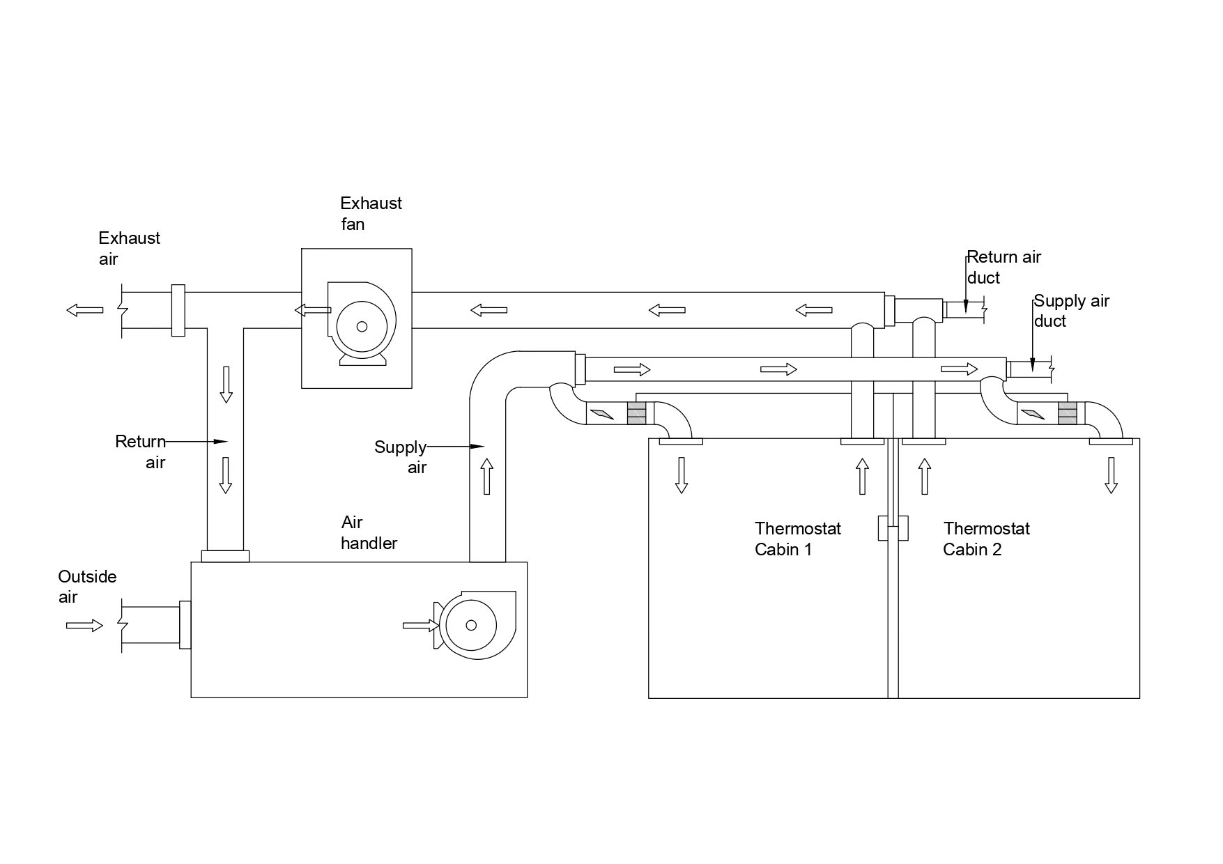
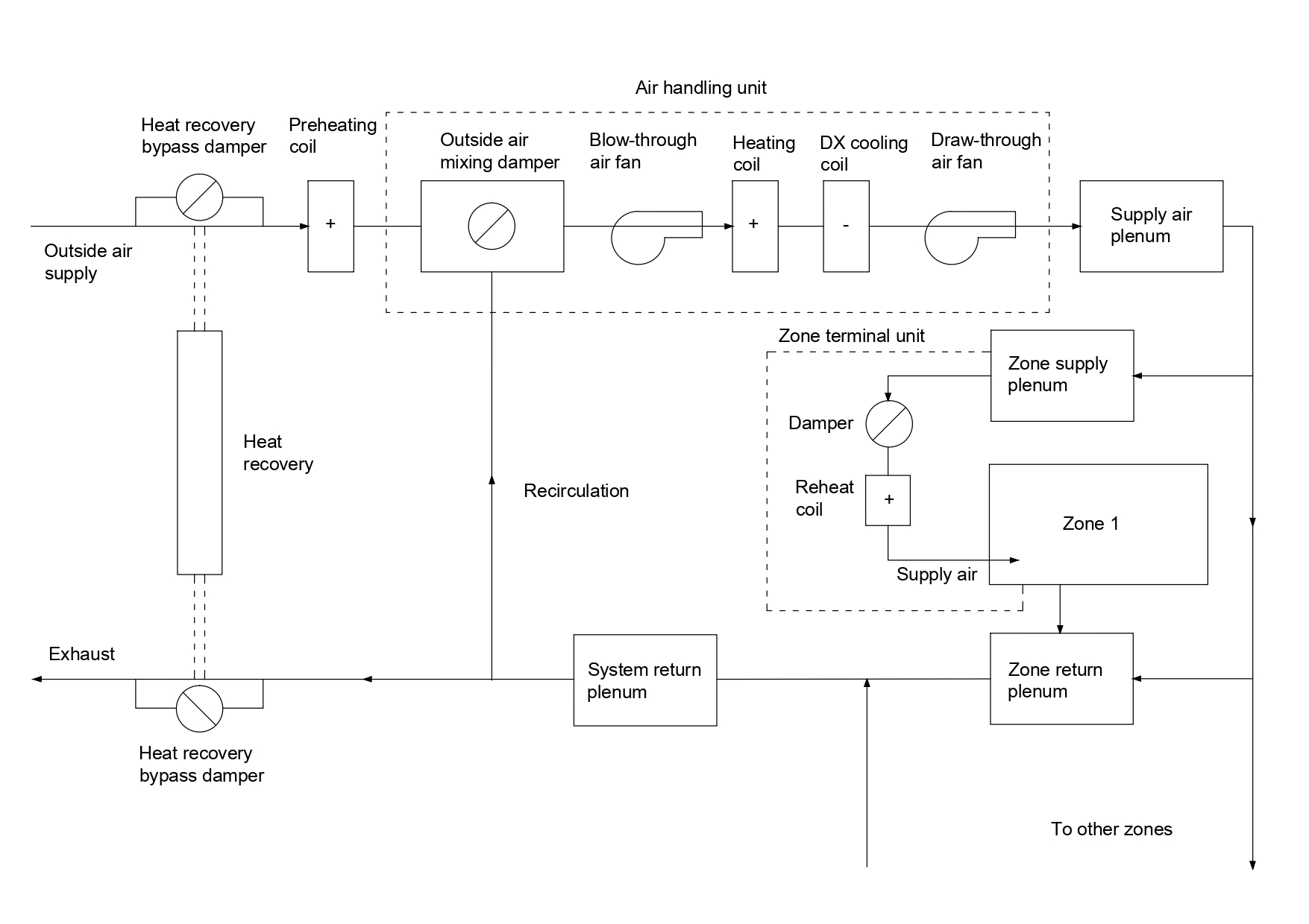
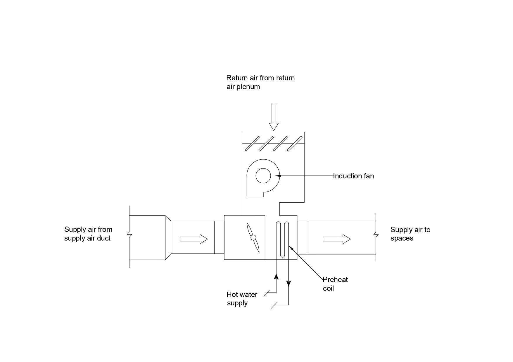
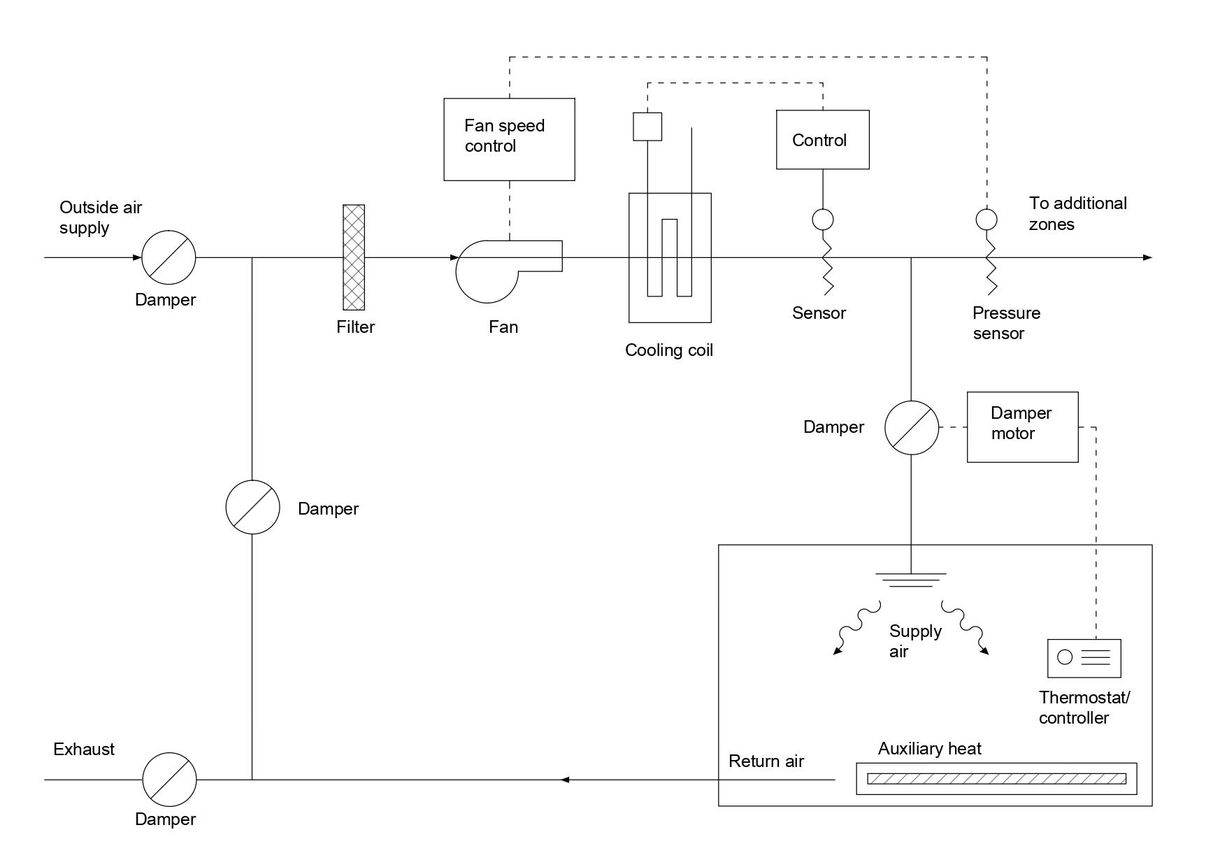
active environmental systems HVAC design
Item Saved
Item Removed



















