Handicap
|
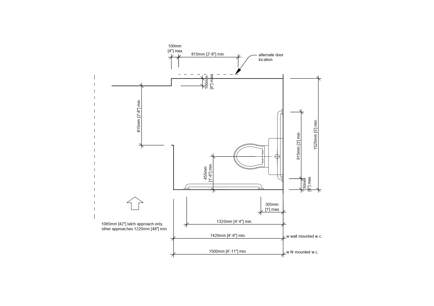
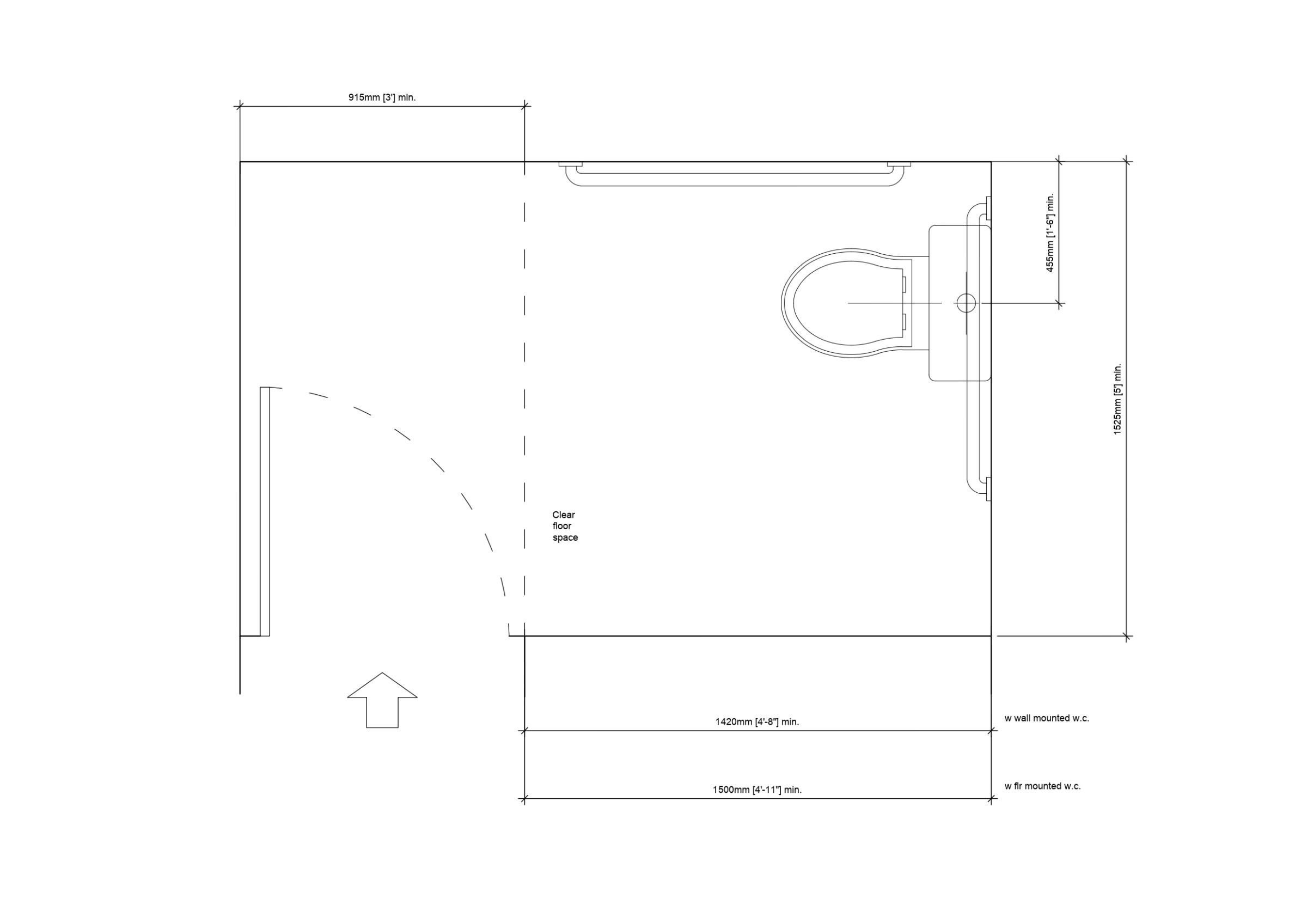
Accessible bathroom layout
Item Saved
Item Removed



