MECHANICAL
|
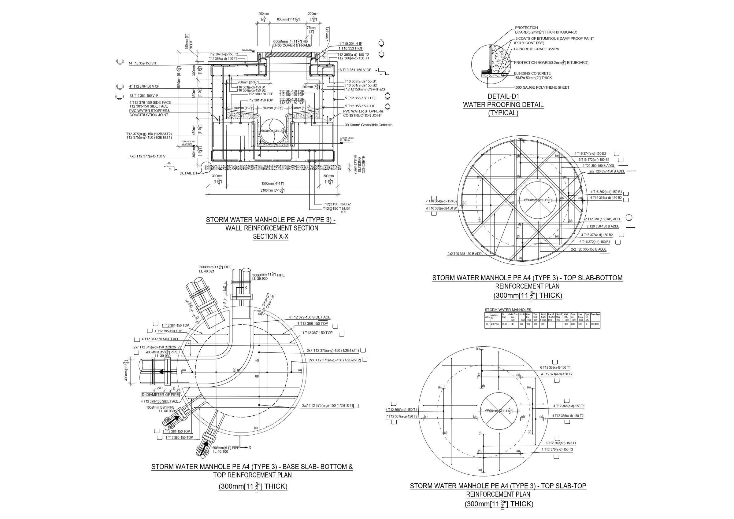
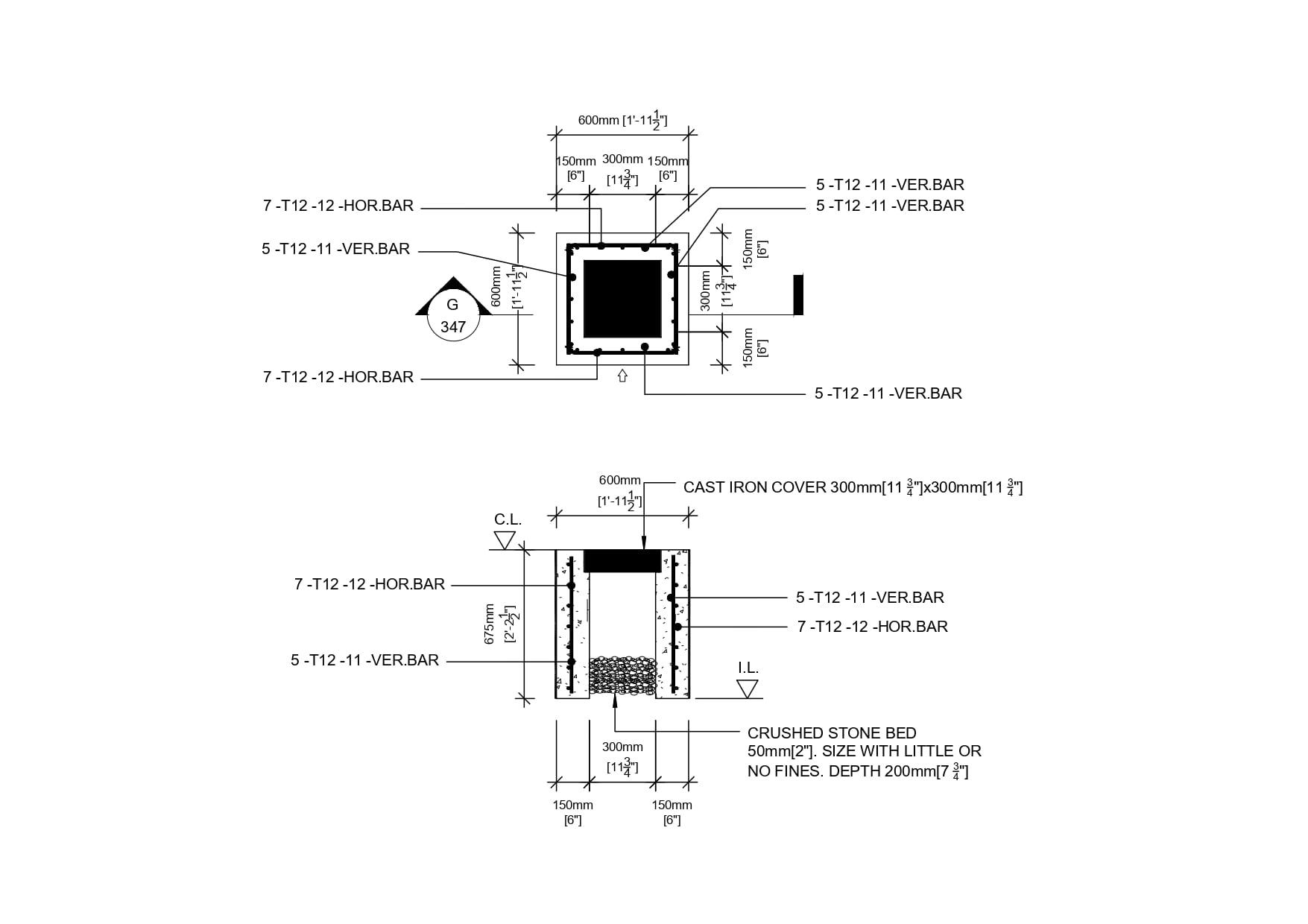
Storm sewer systems
Item Saved
Item Removed





